Table of contents
FOREWORD
TECHNICAL INFORMATION FEEDBACK FORM
Section 9000 – GENERAL INFORMATION
Group 01 – Safety
Recognize Safety Information
Follow Safety Instructions
Operate Only If Qualified
Wear Protective Equipment
Avoid Unauthorized Machine Modifications
Control Pattern Selector—If Equipped
Add Cab Guarding for Special Uses
Inspect Machine
Stay Clear of Moving Parts
Avoid High-Pressure Fluids
Avoid High-Pressure Oils
Work In Ventilated Area
Prevent Fires
Prevent Battery Explosions
Handle Chemical Products Safely
Decommissioning: Proper Recycling and Disposal of Fluids and Components
Exhaust Filter Ash Handling and Disposal
Prepare for Emergencies
Clean Debris from Machine
Use Steps and Handholds Correctly
Start Only From Operator′s Seat
Use and Maintain Seat Belt
Prevent Unintended Machine Movement
Avoid Work Site Hazards
Keep Riders Off Machine
Avoid Backover Accidents
Inspect and Maintain ROPS
Avoid Machine Tip Over
Use Special Care When Lifting Objects
Add and Operate Attachments Safely
Park and Prepare for Service Safely
Service Cooling System Safely
Remove Paint Before Welding or Heating
Make Welding Repairs Safely
Drive Metal Pins Safely
Clean Exhaust Filter Safely
Section 9001 – DIAGNOSTICS
Group 10 – Main Controller (MCZ) Diagnostic Trouble Codes
Main Controller (MCZ) Diagnostic Trouble Codes
Controller Area Network (CAN 0) Diagnostics
CAN 0 Connector Check
MCZ and DSZ Continuity Check
MCZ and ECU Continuity Check
MCZ and Service ADVISOR™ Diagnostic Connector Continuity Check
MCZ and Modular Telematics Gateway (MTG) Continuity Check
Continuity Check MCZ and CAN 0 Termination Resistor (R12)
MCZ Short to Ground Check
DSZ Short to Ground Check
ECU Short to Ground Check
Service ADVISOR™ Diagnostic Connector Short to Ground Check
MTG Short to Ground Check
MCZ Short to Power Check
DSZ Short to Power Check
ECU Short to Power Check
MTG Short to Power Check
Service ADVISOR™ Diagnostic Connector Short to Power Check
MCZ CAN High and Low Side Continuity Check
DSZ CAN High and Low Side Continuity Check
ECU CAN High and Low Side Continuity Check
MTG CAN High and Low Side Continuity Check
Service ADVISOR™ Diagnostic Connector CAN High and Low Side Continuity Check
CAN 0 Termination Resistor (R12) High and Low Side Continuity Check
MCZ CAN Resistance Check
Code Check
DSZ CAN Resistance Check
Code Check
ECU CAN Resistance Check
Code Check
Service ADVISOR™ Resistance Check
CAN 0 Connector Check
MCZ and DSZ Continuity Check
MCZ and ECU Continuity Check
MCZ and Service ADVISOR™ Diagnostic Connector Continuity Check
MCZ and Modular Telematics Gateway (MTG) Continuity Check
Continuity Check MCZ and CAN 0 Termination Resistor (R12)
MCZ Short to Ground Check
DSZ Short to Ground Check
ECU Short to Ground Check
Service ADVISOR™ Diagnostic Connector Short to Ground Check
MTG Short to Ground Check
MCZ Short to Power Check
DSZ Short to Power Check
ECU Short to Power Check
MTG Short to Power Check
Service ADVISOR™ Diagnostic Connector Short to Power Check
MCZ CAN High and Low Side Continuity Check
DSZ CAN High and Low Side Continuity Check
ECU CAN High and Low Side Continuity Check
MTG CAN High and Low Side Continuity Check
Service ADVISOR™ Diagnostic Connector CAN High and Low Side Continuity Check
CAN 0 Termination Resistor (R12) High and Low Side Continuity Check
MCZ CAN Resistance Check
Code Check
DSZ CAN Resistance Check
Code Check
ECU CAN Resistance Check
Code Check
Service ADVISOR™ Resistance Check
Controller Area Network (CAN 1) Diagnostic Procedure
CAN 1 Connector Check
MCZ and Data Converter Continuity Check
MCZ and DSZ Continuity Check
MCZ and BCZ Continuity Check
MCZ and Radio Continuity Check
MCZ and ACF Continuity Check
MCZ Short to Ground Check
Data Converter Short to Ground Check
DSZ Short to Ground Check
BCZ Short to Ground Check
Radio Short to Ground Check
ACF Short to Ground Check
MCZ Short to Power Check
Data Converter Short to Power Check
DSZ Short to Power Check
BCZ Short to Power Check
Radio Short to Power Check
ACF Short to Power Check
MCZ CAN High and Low Side Continuity Check
Data Converter CAN High and Low Side Continuity Check
DSZ CAN High and Low Side Continuity Check
BCZ CAN High and Low Side Continuity Check
Radio CAN High and Low Side Continuity Check
ACF CAN High and Low Side Continuity Check
MCZ CAN Resistance Check
Code Check
Data Converter CAN Resistance Check
Code Check
DSZ CAN Resistance Check
Code Check
BCZ CAN Resistance Check
Code Check
Radio CAN Resistance Check
Code Check
ACF CAN Resistance Check
CAN 1 Connector Check
MCZ and Data Converter Continuity Check
MCZ and DSZ Continuity Check
MCZ and BCZ Continuity Check
MCZ and Radio Continuity Check
MCZ and ACF Continuity Check
MCZ Short to Ground Check
Data Converter Short to Ground Check
DSZ Short to Ground Check
BCZ Short to Ground Check
Radio Short to Ground Check
ACF Short to Ground Check
MCZ Short to Power Check
Data Converter Short to Power Check
DSZ Short to Power Check
BCZ Short to Power Check
Radio Short to Power Check
ACF Short to Power Check
MCZ CAN High and Low Side Continuity Check
Data Converter CAN High and Low Side Continuity Check
DSZ CAN High and Low Side Continuity Check
BCZ CAN High and Low Side Continuity Check
Radio CAN High and Low Side Continuity Check
ACF CAN High and Low Side Continuity Check
MCZ CAN Resistance Check
Code Check
Data Converter CAN Resistance Check
Code Check
DSZ CAN Resistance Check
Code Check
BCZ CAN Resistance Check
Code Check
Radio CAN Resistance Check
Code Check
ACF CAN Resistance Check
Interface Controller Area Network (N-CAN) Diagnostics
N-CAN Connector Check
Data Converter and Service ADVISOR™ Diagnostic Connector Continuity Check
Data Converter to Interface CAN Resistor 1 (R10) Continuity Check
Data Converter to Modular Telematics Gateway (MTG) Connector Continuity Check
Data Converter Short to Ground Check
Service ADVISOR™ Diagnostic Connector Short to Ground Check
Interface CAN Resistor 1 (R10) Short to Ground Check
MTG Short to Ground Check
Data Converter Short to Power Check
Service ADVISOR™ Diagnostic Connector Short to Power
MTG Short to Power Check
Data Converter CAN High and Low Side Continuity Check
Service ADVISOR™ Diagnostic Connector CAN High and Low Side Continuity Check
MTG CAN High and Low Side Continuity Check
Data Converter Resistance Check
Code Check
Service ADVISOR™ Diagnostic Connector Resistance Check
Code Check
MTG Resistance Check
DTC Check
N-CAN Connector Check
Data Converter and Service ADVISOR™ Diagnostic Connector Continuity Check
Data Converter to Interface CAN Resistor 1 (R10) Continuity Check
Data Converter to Modular Telematics Gateway (MTG) Connector Continuity Check
Data Converter Short to Ground Check
Service ADVISOR™ Diagnostic Connector Short to Ground Check
Interface CAN Resistor 1 (R10) Short to Ground Check
MTG Short to Ground Check
Data Converter Short to Power Check
Service ADVISOR™ Diagnostic Connector Short to Power
MTG Short to Power Check
Data Converter CAN High and Low Side Continuity Check
Service ADVISOR™ Diagnostic Connector CAN High and Low Side Continuity Check
MTG CAN High and Low Side Continuity Check
Data Converter Resistance Check
Code Check
Service ADVISOR™ Diagnostic Connector Resistance Check
Code Check
MTG Resistance Check
DTC Check
Abnormal EEPROM Diagnostic Procedure
Code Check
Machine Function Check
Code Check
Machine Function Check
Abnormal RAM Diagnostic Procedure
Code Check
Machine Function Check
Code Check
Machine Function Check
Abnormal A/D Converter Diagnostic Procedure
Code Check
Machine Function Check
Code Check
Machine Function Check
Abnormal Sensor Voltage Diagnostic Procedure
Sensor Check
Sensor Check
011006.02 – Engine Controller Communication Error
011007.02 – (CAN 0) Data Converter Communication Error 1
011008.02 – (CAN 1) Data Converter Communication Error 2
011009.02 – (CAN 0) Monitor Controller Communication Error 1
011010.02 – (CAN 1) Monitor Controller Communication Error 2
Abnormal Engine Speed Diagnostic Procedure
Engine Speed Check
Engine Speed Check
Engine Control Dial Sensor Circuit High Input Diagnostic Procedure
Connector Check
Voltage Check
Signal Voltage Check
Harness Check
Connector Check
Voltage Check
Signal Voltage Check
Harness Check
Engine Control Dial Sensor Circuit Low Input Diagnostic Procedure
Connector Check
Voltage Check
Open Circuit Check
Short Circuit Check
Connector Check
Voltage Check
Open Circuit Check
Short Circuit Check
Pump 1 Delivery Pressure Sensor Circuit High Input Diagnostic Procedure
Connector Check
Component Check
Voltage Check
Harness Check
Connector Check
Component Check
Voltage Check
Harness Check
Pump 1 Delivery Pressure Sensor Circuit Low Input Diagnostic Procedure
Connector Check
Component Check
Voltage Check
Open Circuit Check
Short Circuit Check
Connector Check
Component Check
Voltage Check
Open Circuit Check
Short Circuit Check
Pump 2 Delivery Pressure Sensor Circuit High Input Diagnostic Procedure
Connector Check
Component Check
Voltage Check
Harness Check
Connector Check
Component Check
Voltage Check
Harness Check
Pump 2 Delivery Pressure Sensor Circuit Low Input Diagnostic Procedure
Connector Check
Component Check
Voltage Check
Open Circuit Check
Short Circuit Check
Connector Check
Component Check
Voltage Check
Open Circuit Check
Short Circuit Check
Pump 1 Flow Control Pressure Sensor Circuit High Input Diagnostic Procedure
Connector Check
Component Check
Voltage Check
Harness Check
Connector Check
Component Check
Voltage Check
Harness Check
Pump 1 Flow Control Pressure Sensor Circuit Low Input Diagnostic Procedure
Connector Check
Component Check
Voltage Check
Open Circuit Check
Short Circuit Check
Connector Check
Component Check
Voltage Check
Open Circuit Check
Short Circuit Check
Pump 2 Flow Control Pressure Sensor Circuit High Input Diagnostic Procedure
Connector Check
Component Check
Voltage Check
Harness Check
Connector Check
Component Check
Voltage Check
Harness Check
Pump 2 Flow Control Pressure Sensor Circuit Low Input Diagnostic Procedure
Connector Check
Component Check
Voltage Check
Open Circuit Check
Short Circuit Check
Connector Check
Component Check
Voltage Check
Open Circuit Check
Short Circuit Check
Swing Pilot Pressure Sensor Circuit High Input Diagnostic Procedure
Connector Check
Component Check
Voltage Check
Harness Check
Connector Check
Component Check
Voltage Check
Harness Check
Swing Pilot Pressure Sensor Circuit Low Input Diagnostic Procedure
Connector Check
Component Check
Voltage Check
Open Circuit Check
Short Circuit Check
Connector Check
Component Check
Voltage Check
Open Circuit Check
Short Circuit Check
Boom Up Pilot Pressure Sensor Circuit High Input Diagnostic Procedure
Connector Check
Component Check
Voltage Check
Harness Check
Connector Check
Component Check
Voltage Check
Harness Check
Boom Up Pilot Pressure Sensor Circuit Low Input Diagnostic Procedure
Connector Check
Component Check
Voltage Check
Open Circuit Check
Short Circuit Check
Connector Check
Component Check
Voltage Check
Open Circuit Check
Short Circuit Check
Arm In Pilot Pressure Sensor Circuit High Input Diagnostic Procedure
Connector Check
Component Check
Voltage Check
Harness Check
Connector Check
Component Check
Voltage Check
Harness Check
Arm In Pilot Pressure Sensor Circuit Low Input Diagnostic Procedure
Connector Check
Component Check
Voltage Check
Open Circuit Check
Short Circuit Check
Connector Check
Component Check
Voltage Check
Open Circuit Check
Short Circuit Check
Travel Pilot Pressure Sensor Circuit High Input Diagnostic Procedure
Connector Check
Component Check
Voltage Check
Harness Check
Connector Check
Component Check
Voltage Check
Harness Check
Travel Pilot Pressure Sensor Circuit Low Input Diagnostic Procedure
Connector Check
Component Check
Voltage Check
Open Circuit Check
Short Circuit Check
Connector Check
Component Check
Voltage Check
Open Circuit Check
Short Circuit Check
Front Attachment Pilot Pressure Sensor Circuit High Input Diagnostic Procedure
Connector Check
Component Check
Voltage Check
Harness Check
Connector Check
Component Check
Voltage Check
Harness Check
Front Attachment Pilot Pressure Sensor Circuit Low Input Diagnostic Procedure
Connector Check
Component Check
Voltage Check
Open Circuit Check
Short Circuit Check
Connector Check
Component Check
Voltage Check
Open Circuit Check
Short Circuit Check
Pump 2 Flow Rate Limit Solenoid Valve Abnormal Feedback Diagnostic Procedure
Connector Check
Component Check
Continuity Check
Short Circuit Check
Harness Check
Solenoid Check
Connector Check
Component Check
Continuity Check
Short Circuit Check
Harness Check
Solenoid Check
Pump 2 Flow Rate Limit Solenoid Valve Feedback High Current Diagnostic Procedure
Connector Check
Component Check
Continuity Check
Harness Check
Solenoid Check
Connector Check
Component Check
Continuity Check
Harness Check
Solenoid Check
Pump 2 Flow Rate Limit Solenoid Valve Feedback Low Current Diagnostic Procedure
Connector Check
Component Check
Continuity Check
Short Circuit Check
Solenoid Check
Connector Check
Component Check
Continuity Check
Short Circuit Check
Solenoid Check
Torque Control Solenoid Valve Abnormal Feedback Diagnostic Procedure
Connector Check
Component Check
Continuity Check
Short Circuit Check
Harness Check
Solenoid Check
Connector Check
Component Check
Continuity Check
Short Circuit Check
Harness Check
Solenoid Check
Torque Control Solenoid Valve Feedback High Current Diagnostic Procedure
Connector Check
Component Check
Continuity Check
Harness Check
Solenoid Check
Connector Check
Component Check
Continuity Check
Harness Check
Solenoid Check
Torque Control Solenoid Valve Feedback Low Current Diagnostic Procedure
Connector Check
Component Check
Continuity Check
Short Circuit Check
Solenoid Check
Connector Check
Component Check
Continuity Check
Short Circuit Check
Solenoid Check
4-Spool Solenoid Valve Unit (SF) Abnormal Feedback Diagnostic Procedure
Connector Check
Component Check
Continuity Check
Short Circuit Check
Harness Check
Solenoid Check
Connector Check
Component Check
Continuity Check
Short Circuit Check
Harness Check
Solenoid Check
4-Spool Solenoid Valve Unit (SF) Feedback High Input Diagnostic Procedure
Connector Check
Component Check
Continuity Check
Harness Check
Solenoid Check
Connector Check
Component Check
Continuity Check
Harness Check
Solenoid Check
4-Spool Solenoid Valve Unit (SF) Feedback Low Input Diagnostic Procedure
Connector Check
Component Check
Continuity Check
Short Circuit Check
Solenoid Check
Connector Check
Component Check
Continuity Check
Short Circuit Check
Solenoid Check
4-Spool Solenoid Valve Unit (SC) Abnormal Feedback Diagnostic Procedure
Connector Check
Component Check
Continuity Check
Short Circuit Check
Harness Check
Solenoid Check
Connector Check
Component Check
Continuity Check
Short Circuit Check
Harness Check
Solenoid Check
4-Spool Solenoid Valve Unit (SC) Feedback High Input Diagnostic Procedure
Connector Check
Component Check
Continuity Check
Harness Check
Solenoid Check
Connector Check
Component Check
Continuity Check
Harness Check
Solenoid Check
4-Spool Solenoid Valve Unit (SC) Feedback Low Input Diagnostic Procedure
Connector Check
Component Check
Continuity Check
Short Circuit Check
Solenoid Check
Connector Check
Component Check
Continuity Check
Short Circuit Check
Solenoid Check
4-Spool Solenoid Valve Unit (SG) Abnormal Feedback Diagnostic Procedure
Connector Check
Component Check
Continuity Check
Short Circuit Check
Harness Check
Solenoid Check
Connector Check
Component Check
Continuity Check
Short Circuit Check
Harness Check
Solenoid Check
4-Spool Solenoid Valve Unit (SG) Feedback High Input Diagnostic Procedure
Connector Check
Component Check
Continuity Check
Harness Check
Solenoid Check
Connector Check
Component Check
Continuity Check
Harness Check
Solenoid Check
4-Spool Solenoid Valve Unit (SG) Feedback Low Input Diagnostic Procedure
Connector Check
Component Check
Continuity Check
Short Circuit Check
Solenoid Check
Connector Check
Component Check
Continuity Check
Short Circuit Check
Solenoid Check
2-Spool Solenoid Valve Unit (SJ) Abnormal Feedback Diagnostic Procedure
Connector Check
Component Check
Continuity Check
Short Circuit Check
Harness Check
Solenoid Check
Connector Check
Component Check
Continuity Check
Short Circuit Check
Harness Check
Solenoid Check
2-Spool Solenoid Valve Unit (SJ) Feedback High Input Diagnostic Procedure
Connector Check
Component Check
Continuity Check
Harness Check
Solenoid Check
Connector Check
Component Check
Continuity Check
Harness Check
Solenoid Check
2-Spool Solenoid Valve Unit (SJ) Feedback Low Input Diagnostic Procedure
Connector Check
Component Check
Continuity Check
Short Circuit Check
Solenoid Check
Connector Check
Component Check
Continuity Check
Short Circuit Check
Solenoid Check
2-Spool Solenoid Valve Unit (SZ) Abnormal Feedback Diagnostic Procedure
Connector Check
Component Check
Continuity Check
Short Circuit Check
Harness Check
Solenoid Check
Connector Check
Component Check
Continuity Check
Short Circuit Check
Harness Check
Solenoid Check
2-Spool Solenoid Valve Unit (SZ) Feedback High Input Diagnostic Procedure
Connector Check
Component Check
Continuity Check
Harness Check
Solenoid Check
Connector Check
Component Check
Continuity Check
Harness Check
Solenoid Check
2-Spool Solenoid Valve Unit (SZ) Feedback Low Input Diagnostic Procedure
Connector Check
Component Check
Continuity Check
Short Circuit Check
Solenoid Check
Connector Check
Component Check
Continuity Check
Short Circuit Check
Solenoid Check
Pump 1 Flow Rate Limit Solenoid Feedback Current Abnormal Diagnostic Procedure
Continuity Check
DTC Check
Continuity Check
DTC Check
Pump 1 Flow Rate Limit Solenoid Diagnostic Procedure
Continuity Check
DTC Check
Continuity Check
DTC Check
Pump 1 Flow Rate Limit Solenoid Feedback Current Low Diagnostic Procedure
Continuity Check
DTC Check
Continuity Check
DTC Check
4-Spool Solenoid Valve Unit (SD) Abnormal Feedback Diagnostic Procedure
Connector Check
Component Check
Continuity Check
Short Circuit Check
Harness Check
Connector Check
Component Check
Continuity Check
Short Circuit Check
Harness Check
4-Spool Solenoid Valve Unit (SD) Feedback High Input Diagnostic Procedure
Connector Check
Component Check
Continuity Check
Harness Check
Connector Check
Component Check
Continuity Check
Harness Check
4-Spool Solenoid Valve Unit (SD) Feedback Low Input Diagnostic Procedure
Connector Check
Component Check
Continuity Check
Short Circuit Check
Connector Check
Component Check
Continuity Check
Short Circuit Check
011434.02 – Attachment Relief 1 (Upper) Proportional Solenoid Valve Abnormal Feedback
011434.03 – Attachment Relief 1 (Upper) Proportional Solenoid Valve Feedback High Current
011434.04 – Attachment Relief 1 (Upper) Proportional Solenoid Valve Feedback Low Current
011435.02 – Attachment Relief 2 (Lower) Proportional Solenoid Valve Abnormal Feedback
011435.03 – Attachment Relief 2 (Lower) Proportional Solenoid Valve Feedback High Current
011435.04 – Attachment Relief 2 (Lower) Proportional Solenoid Valve Feedback Low Current
011436.02 – Breaker Relief Proportional Solenoid Valve Abnormal Feedback
011436.03 – Breaker Relief Proportional Solenoid Valve Feedback High Current
011436.04 – Breaker Relief Proportional Solenoid Valve Feedback Low Current
2-Speed Activation Solenoid Disconnected or Not Present Diagnostic Procedure
Fuse Check
Solenoid Check
2-Speed Harness Continuity Check
Attachment Harness Continuity Check
Machine Harness Continuity Check
Cab Harness Continuity Check
Fuse Check
Solenoid Check
2-Speed Harness Continuity Check
Attachment Harness Continuity Check
Machine Harness Continuity Check
Cab Harness Continuity Check
5-Spool Solenoid Valve Unit (SE) Abnormal Feedback Diagnostic Procedure
Connector Check
Component Check
Continuity Check
Short Circuit Check
Harness Check
Component Check
Connector Check
Component Check
Continuity Check
Short Circuit Check
Harness Check
Component Check
011459.02 – Discontinuity of Auto Shut-Down Control Power Line
011810.03 – Electrical Lever Control Pressure 1 Sensor High Input
011810.04 – Electrical Lever Control Pressure 1 Sensor Low Input
Hydraulic Oil Temperature Sensor Circuit High Input Diagnostic Procedure
Connector Check
Component Check
Open Circuit Check
Voltage Check
Connector Check
Component Check
Open Circuit Check
Voltage Check
Hydraulic Oil Temperature Sensor Circuit Low Input Diagnostic Procedure
Connector Check
Component Check
Voltage Check
Short Circuit Check
Connector Check
Component Check
Voltage Check
Short Circuit Check
Exhaust Filter Alarm Diagnostic Procedure
Code Check
Code Check
020012.02 – Line Filter Restriction Alarm
Group 20 – Engine Control Unit (ECU) Diagnostic Trouble Codes
Engine Control Unit (ECU) Diagnostic Trouble Codes
000081.00 – High Exhaust Filter Differential Pressure (P2453)
000081.01 – Low Exhaust Filter Differential Pressure (P2452)
000081.02 – Zero-Point Calibration of Exhaust Filter Differential Pressure Sensor is Abnormal (P2456)
000081.03 – Exhaust Filter Differential Pressure Sensor Circuit High Input (P2455)
000081.04 – Exhaust Filter Differential Pressure Sensor Circuit Low Input (P2454)
000091.02 – Accelerator Pedal Position Sensor 1-2 Correlation (P2138)
000091.03 – Accelerator Pedal Position Sensor 1 High Input (P2123)
000091.03 – Accelerator Pedal Position Sensor 2 High Input (P2128)
000091.04 – Accelerator Pedal Position Sensor 1 Low Input (P2122)
000091.04 – Accelerator Pedal Position Sensor 2 Low Input (P2127)
000100.03 – Engine Oil Pressure Sensor Circuit High Input (P0523)
000100.04 – Engine Oil Pressure Sensor Circuit Low Input (P0522)
000102.00 – Over Boost-Pressure (P0234)
000102.00 – Over Boost-Pressure (P0234)
000102.01 – Declined Boost Pressure (P0299)
000102.03 – Boost Pressure Sensor Circuit High Input (P0238)
000102.04 – Boost Pressure Sensor Circuit Low Input (P0237)
000105.03 – Boost Temperature Sensor Circuit High Input (P1113)
000105.04 – Boost Temperature Sensor Circuit Low Input (P1112)
000108.03 – Atmospheric Pressure Sensor Circuit High Input (P2229)
000108.04 – Atmospheric Pressure Sensor Circuit Low Input (P2228)
000110.00 – Overheat (P0217)
000110.03 – Engine Coolant Temperature Circuit High Input (P0118)
000110.04 – Engine Coolant Temperature Circuit Low Input (P0117)
000132.03 – Air Flow Sensor Circuit High Input (P0103)
000132.04 – Air Flow Sensor Circuit Low Input (P0102)
000157.00 – Pressure Increase in Common Rail (Secondary) (P0088)
000157.03 – Common Rail Pressure Sensor Circuit High Input (P0193)
000157.04 – Common Rail Pressure Sensor Circuit Low Input (P0192)
000157.15 – Abnormal Common Rail Pressure (Over Pumping) (P0089)
000157.16 – Pressure Increase in Common Rail (Primary) (P0088)
000158.03 – Abnormally High Battery System Voltage (P0563)
000172.03 – Intake Air Temperature Sensor Circuit High Input (P0113)
000172.04 – Intake Air Temperature Sensor Circuit Low Input (P0112)
000173.00 – Abnormally High Exhaust Temperature Sensor 1 (DPF Inlet) (P0426)
000173.03 – Exhaust Temperature Sensor 1 Circuit High Input (DPF Inlet) (P0428)
000173.04 – Exhaust Temperature Sensor 1 Circuit Low Input (DPF Inlet) (P0427)
000174.03 – Combustion Temperature Sensor Circuit High Input (P0183)
000174.04 – Combustion Temperature Sensor Circuit Low Input (P0182)
000190.00 – Engine Overrun (P0219)
000628.02 – Abnormal ROM (P0601)
000633.07 – Common Rail Pressure Limiter Open (P0087)
000636.02 – Abnormal Cam Angle Sensor (No Signal) (P0340)
000636.07 – Phase Difference Between Cam and Sensor (P0016)
000639.02 – Abnormal CAN Time-Out (U0101)
000639.19 – Abnormal CAN Bus (U0073)
000651.05 – Cylinder 1 Injector Circuit Open (P0201)
000652.05 – Cylinder 2 Injector Circuit Open (P0202)
000653.05 – Cylinder 3 Injector Circuit Open (P0203)
000654.05 – Cylinder 4 Injector Circuit Open (P0204)
000723.02 – Crank Position Sensor Failure (No Signal) (P0335)
000723.02 – Crank Position Sensor Failure (Abnormal Signal) (P0336)
001077.02 – Abnormal CPU (P0606)
001079.02 – Abnormal 5V-Electric Power Circuit #1 (P0641)
001080.02 – Abnormal 5V-Electric Power Circuit #2 (P0651)
001131.03 – Manifold Temperature Sensor Circuit High Input (P041C)
001131.04 – Manifold Temperature Sensor Circuit Low Input (P041D)
001239.01 – Pressure Decline in Common Rail (No Pumping Pressure) (P0093)
001239.17 – Pressure Decline in Common Rail (Lack of Pumping Pressure) (P1093)
001347.03 – SCV Drive Circuit + Short Circuit B (P0092)
001347.04 – SCV Drive Circuit Open or Short Circuited to GND (P0091)
001381.03 – Fuel Filter Restriction Sensor Circuit High Input (P1294)
001381.04 – Fuel Filter Restriction Sensor Circuit Low Input (P1293)
001485.05 – Abnormal Main Relay Circuit (Inactivation) (P0685)
001485.06 – Abnormal Main Relay Circuit (Kept Closed) (P0687)
010001.02 – EGR Position Error (Brushless Type) (P0409)
010001.13 – Abnormal EGR Zero-Point Calibration (P1404)
010002.02 – Abnormal EGR Valve Control Circuit (P0404)
010003.02 – Abnormal Injector Common 1 Circuit (P2146)
010004.02 – Abnormal Injector Common 2 Circuit (P2149)
010005.01 – Abnormal Charge Circuit (Bank 1) (P1261)
010006.01 – Abnormal Charge Circuit (Bank 2) (P1262)
010007.02 – Abnormal CPU Monitor IC (P0606)
010008.02 – Abnormal A/D Converter (P060B)
010009.02 – Abnormal 5V-Electric Power Circuit #3 (P0697)
010010.02 – Abnormal 5V-Electric Power Circuit #4 (P1655)
010012.02 – Abnormal 12V Circuit (P0560)
010013.02 – Abnormal EEPROM/Abnormal HDEEPROM (P1621)
010022.02 – Abnormal Intake Throttle Control Circuit (P0638)
010022.03 – Intake Throttle Position Sensor Circuit High Input (P0123)
010022.04 – Intake Throttle Position Sensor Circuit Low Input (P0122)
010023.03 – EVRV Vacuum Sensor High Input (P2528)
010023.04 – EVRV Vacuum Sensor Low Input (P2527)
010023.20 – Abnormal Turbo EVRV (P0045)
010024.03 – Exhaust Temperature Sensor 2 Circuit High Input (DOC Inlet) (P042D)
010024.04 – Exhaust Temperature Sensor 2 Circuit Low Input (DOC Inlet) (P042C)
010025.05 – Exhaust Filter Light Failure (P1669)
010026.00 – Exhaust Filter PM Over-Restriction 2 (P1455)
010026.15 – Exhaust Filter PM Over-Restriction (P242F)
010027.00 – Exhaust Filter Cleaning Decision Error (P1471)
010028.00 – Abnormally High Exhaust Temperature Sensor 2 (DOC Outlet) (P042B)
010029.00 – Over Frequent Exhaust Filter Regeneration Time-Out (P2458)
010032.02 – QR Code Error (P0602)
010033.02 – Abnormal RAM (P0604)
010040.19 – Abnormal ISO-CAN Bus (U0001)
Group 30 – Monitor Controller (DSZ) Diagnostic Trouble Codes
Monitor Controller (DSZ) Diagnostic Trouble Codes
013002.02 – ECU Communication Error
013003.02 – Main Controller (MCZ) Communication Error 1
013004.02 – Main Controller (MCZ) Communication Error 2
013005.02 – Monitor Controller (DSZ) Communication Error 1
013006.02 – Monitor Controller (DSZ) Communication Error 2
013007.02 – Machine Controller (BCZ) Communication Error
013334.02 – Radiator Coolant Error
Flash Memory Read/Write Error Diagnostic Procedure
Diagnostic Trouble Code Check
Diagnostic Trouble Code Check
External RAM Read/Write Error Diagnostic Procedure
Diagnostic Trouble Code Check
Diagnostic Trouble Code Check
Abnormal EEPROM Diagnostics Procedure
Diagnostic Trouble Code Check
Diagnostic Trouble Code Check
Communication Terminal:Communication Error Diagnostic Procedure
Fuse Check
Power Check
Harness Check
Fuse Check
Power Check
Harness Check
Abnormal Internal RAM Diagnostic Procedure
Diagnostic Trouble Code Check
Diagnostic Trouble Code Check
014021.02 – Communication Terminal Security Error
014022.02 – SIM Card Error
014023.02 – Security Error
020100.02 – Overheat Alarm
020101.02 – Engine Warning Alarm
020102.02 – Engine Oil Pressure Alarm
Hydraulic Oil Filter Restriction Alarm Diagnostic Procedure
Filter Check
Hydraulic Oil Filter Restriction Switch Check
Circuit Check
Filter Check
Hydraulic Oil Filter Restriction Switch Check
Circuit Check
020106.02 – Air Cleaner Restriction Alarm
Pilot Control Shut-Off Lever Alarm Diagnostic Procedure
Connector Check
Code Check
Pilot Shutoff Switch 1 (S3) Check
Pilot Shutoff Switch 2 (S4) Check
Connector Check
Code Check
Pilot Shutoff Switch 1 (S3) Check
Pilot Shutoff Switch 2 (S4) Check
020110.02 – Fuel Filter Restriction Alarm
020113.02 – System Error Alarm
020114.02 – Overheat Alarm
020133.02 – Crane Function Alarm
020137.02 – Exhaust Filter Alarm
020141.02 – Exhaust Temperature Alarm
020142.02 – Intake Air Temperature Alarm
020145.02 – Boost Temperature Increase Alarm
020146.02 – Fuel Temperature Increase Alarm
020149.02 – EGR Gas Temperature Alarm
Group 40 – Air Conditioner Controller (ACF) Diagnostic Trouble Codes
Air Conditioner Controller (ACF) Diagnostic Trouble Codes
Open Circuit in Air Recirculation Sensor Diagnostic Procedure
Connector Check
Component Check
Voltage Check
Short to Power Check
Harness Check
Connector Check
Component Check
Voltage Check
Short to Power Check
Harness Check
Short-Circuited Air Recirculation Sensor Diagnostic Procedure
Connector Check
Component Check
Voltage Check
Continuity Check
Short to Ground Check
Connector Check
Component Check
Voltage Check
Continuity Check
Short to Ground Check
Open Circuit in Ambient Air Temperature Sensor Diagnostics Procedure
Connector Check
Component Check
Voltage Check
Short to Power Check
Harness Check
Connector Check
Component Check
Voltage Check
Short to Power Check
Harness Check
Short-Circuited Ambient Air Temperature Sensor Diagnostic Procedure
Connector Check
Component Check
Voltage Check
Continuity Check
Short to Ground Check
Connector Check
Component Check
Voltage Check
Continuity Check
Short to Ground Check
Short-Circuited Solar Radiation Sensor Diagnostic Procedure
Connector Check
Voltage Check
Continuity Check
Short to Ground Check
Connector Check
Voltage Check
Continuity Check
Short to Ground Check
Open Circuit in Air Conditioner Freeze Control Switch Diagnostic Procedure
Connector Check
Component Check
Voltage Check
Short to Power Check
Harness Check
Connector Check
Component Check
Voltage Check
Short to Power Check
Harness Check
Short-Circuited Air Conditioner Freeze Control Switch Diagnostic Procedure
Connector Check
Component Check
Voltage Check
Continuity Check
Short to Ground Check
Connector Check
Component Check
Voltage Check
Continuity Check
Short to Ground Check
Abnormal Air Conditioner and Heater Blower Port Change Servomotor Diagnostic Procedure
Connector Check
Voltage Check
Continuity Check
Short to Ground Check
Connector Check
Voltage Check
Continuity Check
Short to Ground Check
Abnormal Air Conditioner and Heater Mixer Servomotor Diagnostic Procedure
Connector Check
Voltage Check
Continuity Check
Short to Ground Check
Connector Check
Voltage Check
Continuity Check
Short to Ground Check
Abnormal High/Low Refrigerant Pressure Diagnostic Procedure
Connector Check
Component Check
Voltage Check
Continuity Check
Short to Ground Check
Connector Check
Component Check
Voltage Check
Continuity Check
Short to Ground Check
91 – Communication Error
92 – CAN Bus Off Error
Section 9005 – OPERATIONAL CHECKOUT PROCEDURE
Group 10 – Operational Checkout Procedure
Operational Checks—Key Switch On, Engine On Checks
Display and Clear Trouble Codes
Horn Circuit Check
Hour Meter and Fuel Gauge Checks
Monitor Start Up Check
Monitor, Gauges, and Battery Relay Checks
Rear Camera Check
Travel Lever and Pedal Neutral Checks
Light Circuit Checks
Windshield Wiper Control Check
Windshield Washer Control Check
Windshield Wiper Circuit Check
Windshield Washer Circuit Check
Monitor and Gauge Circuit Checks
Pilot Shutoff Circuit Check
Engine Speed Dial Check
ECO (economy) Mode and PWR (power) Mode Checks
H/P (high power) Mode Check
Auto-Idle Circuit Check
Travel Alarm Check
Travel Alarm Cancel Switch Circuit Check
Hydraulic Oil Tank Pressurization Check
Control Lever Pattern Check—Excavator Pattern
Control Lever Pattern Check—Backhoe Pattern
Swing Dynamic Braking Check
Swing Park Brake and Circuit Drift Checks
Swing Power Check
Dig Function Drift Check (loaded bucket)
Dig Function Drift Check (empty bucket)
Swing Priority Circuit Check
Control Valve Lift Check Test
Boom Up, Arm In, and Bucket Combined Function Operation Check
Boom Regenerative Valve Operation Check
Arm Regenerative Valve Operation Check
Bucket Regenerative Valve Operation Check
Travel Speed Selection Check
Travel System Tracking Check
Travel System Tracking Checks While Operating a Dig Function
Travel System Maneuverability Check
Cycle Times Check
Heater and Air Conditioner Circuit Check
Heater and Air Conditioner Controls Check (automatic temperature control)
Display and Clear Trouble Codes
Horn Circuit Check
Hour Meter and Fuel Gauge Checks
Monitor Start Up Check
Monitor, Gauges, and Battery Relay Checks
Rear Camera Check
Travel Lever and Pedal Neutral Checks
Light Circuit Checks
Windshield Wiper Control Check
Windshield Washer Control Check
Windshield Wiper Circuit Check
Windshield Washer Circuit Check
Monitor and Gauge Circuit Checks
Pilot Shutoff Circuit Check
Engine Speed Dial Check
ECO (economy) Mode and PWR (power) Mode Checks
H/P (high power) Mode Check
Auto-Idle Circuit Check
Travel Alarm Check
Travel Alarm Cancel Switch Circuit Check
Hydraulic Oil Tank Pressurization Check
Control Lever Pattern Check—Excavator Pattern
Control Lever Pattern Check—Backhoe Pattern
Swing Dynamic Braking Check
Swing Park Brake and Circuit Drift Checks
Swing Power Check
Dig Function Drift Check (loaded bucket)
Dig Function Drift Check (empty bucket)
Swing Priority Circuit Check
Control Valve Lift Check Test
Boom Up, Arm In, and Bucket Combined Function Operation Check
Boom Regenerative Valve Operation Check
Arm Regenerative Valve Operation Check
Bucket Regenerative Valve Operation Check
Travel Speed Selection Check
Travel System Tracking Check
Travel System Tracking Checks While Operating a Dig Function
Travel System Maneuverability Check
Cycle Times Check
Heater and Air Conditioner Circuit Check
Heater and Air Conditioner Controls Check (automatic temperature control)
Section 9010 – ENGINE
Group 05 – Theory of Operation
Isuzu Engine
Engine Fuel System Component Location
Engine Cooling System Component Location
Cold Weather Starting Aid
Engine Speed Control System Operation
Group 15 – Diagnostic Information
Isuzu Engine
Group 20 – Adjustments
Isuzu Engine
Group 25 – Tests
Isuzu Engine
Section 9015 – ELECTRICAL SYSTEM
Group 05 – System Information
Electrical Diagram Information
Group 10 – System Diagrams
Explanation of Wire Markings
Fuse and Relay Specifications
System Functional Schematic, Component Location, and Wiring Diagram Master Legend
System Functional Schematic
Cab Harness (W1) Component Location
Cab Harness (W1) Wiring Diagram
Machine Harness (W2) Component Location
Machine Harness (W2) Wiring Diagram
Monitor Harness (W3) Component Location
Monitor Harness (W3) Wiring Diagram
Engine Harness (W4) Component Location
Engine Harness (W4) Wiring Diagram
Pump Harness (W8) Component Location
Pump Harness (W8) Wiring Diagram
Exhaust Filter Parked Cleaning Switch Harness (W9) Component Location
Exhaust Filter Parked Cleaning Switch Harness (W9) Wiring Diagram
Pilot Shutoff Switch Harness (W11) Component Location
Pilot Shutoff Switch Harness (W11) Wiring Diagram
Auxiliary Fuse Box Harness (W13) Component Location
Auxiliary Fuse Box Harness (W13) Wiring Diagram
Heated Air Seat Harness (W14) Component Location
Heated Air Seat Harness (W14) Wiring Diagram
Multi-Function Pilot Control Lever Harness (W15) Component Location
Multi-Function Pilot Control Lever Harness (W15) Wiring Diagram
Travel Alarm Cancel Switch Harness (W16) Component Location
Travel Alarm Cancel Switch Harness (W16) Wiring Diagram
Attachment Harness (W17) Component Location
Attachment Harness (W17) Wiring Diagram
Rear Camera Harness (W19) Component Location
Rear Camera Harness (W19) Wiring Diagram
9-Pin Service ADVISOR™ Connector (W20) Component Location
9-Pin Service ADVISOR™ Connector (W20) Wiring Diagram
Pilot Shutoff Valve Harness (W21) Component Location
Pilot Shutoff Valve Harness (W21) Wiring Diagram
Auxiliary 3-Button Cancel Switch Harness (W22) Component Location
Auxiliary 3-Button Cancel Switch Harness (W22) Wiring Diagram
Seat Heater Switch Harness (W24) Component Location
Seat Heater Switch Harness (W24) Wiring Diagram
Travel Alarm Harness (W26) Component Location
Travel Alarm Harness (W26) Wiring Diagram
Travel Sub Harness (W27) Component Location
Travel Sub Harness (W27) Wiring Diagram
Starter Switch Harness (W29) Component Location
Starter Switch Harness (W29) Wiring Diagram
Data Converter Harness (W30) Component Location
Data Converter Harness (W30) Wiring Diagram
Data Converter Interface Harness (W31) Component Location
Data Converter Interface Harness (W31) Wiring Diagram
2-Speed Harness (W32) Component Location
2-Speed Harness (W32) Wiring Diagram
Heater and Air Conditioner Harness (W41) Component Location
Heater and Air Conditioner Harness (W41) Wiring Diagram
Auxiliary Solenoid Harness (W61) Component Location
Auxiliary Solenoid Harness (W61) Wiring Diagram
Satellite (SAT) Harness (W6003) Component Location
Satellite (SAT) Harness (W6003) Wiring Diagram
JDLink™ Harness (W6004) Component Location
JDLink™ Harness (W6004) Wiring Diagram
Group 15 – Sub-System Diagnostics
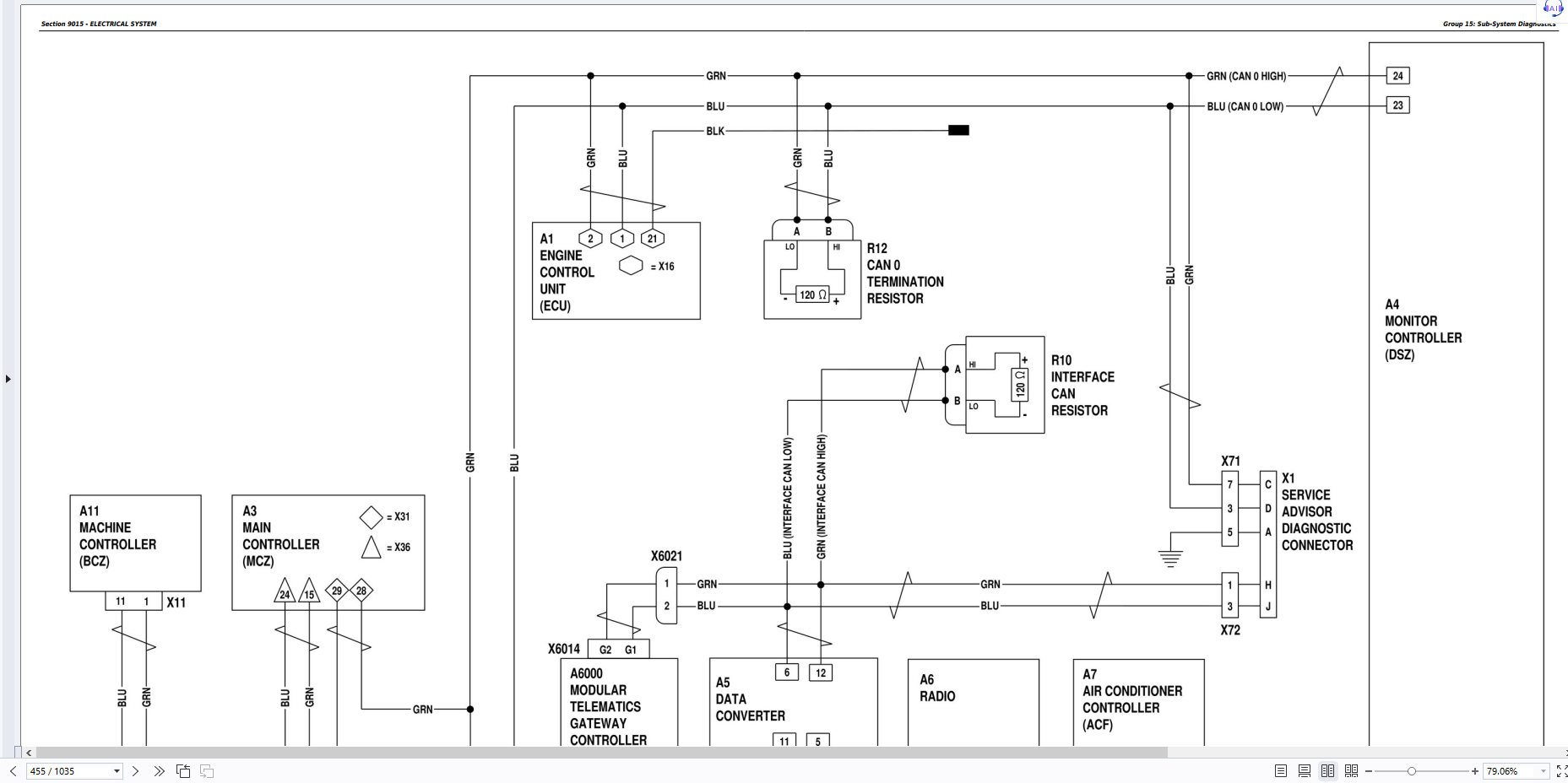
Controller Area Network (CAN) Theory of Operation
Starting and Charging Circuit Theory of Operation
Monitor Controller (DSZ) Circuit Theory of Operation
Engine Control Unit (ECU) Circuit Theory of Operation
Exhaust Aftertreatment Circuit Theory of Operation
Main Controller (MCZ) Circuit Theory of Operation
Travel Alarm Circuit Theory of Operation
Machine Controller (BCZ) Circuit Theory of Operation
Windshield Wiper and Washer Circuit Theory of Operation
Lighting Circuit Theory of Operation
Pilot Shutoff Circuit Theory of Operation
Attachment Control Circuit Theory of Operation
Group 16 – Monitor Operation
Service Menu
Troubleshooting
Monitoring
Controller Version
Issued Warning Record
Operation
Machine Setting
Monitor Setting
Engine Setting
Exhaust Filter No.
Group 20 – References
Reading Diagnostic Trouble Codes with Monitor Display
Service ADVISOR™ Diagnostic Application
Service ADVISOR™ Connection Procedure
Reading Diagnostic Trouble Codes with Service ADVISOR™ Diagnostic Application
Clearing Engine Diagnostic Trouble Codes
MPDr Application
MPDr Connection Procedure
Fuse Test
Relay Test
Glow Plug Relay Test
Pressure Sensor Test
Solenoid Test
Proportional Solenoid Test
Temperature Sensor Test
Alternator Test
Component Checks
Key Switch Check
Battery Relay Check
Battery Voltage Check
Alternator and Battery Fuse Check
Diode Check
Travel Alarm Check
Monitor Warning Alarm Check
CAN Bus Terminator Check
Key Switch Check
Battery Relay Check
Battery Voltage Check
Alternator and Battery Fuse Check
Diode Check
Travel Alarm Check
Monitor Warning Alarm Check
CAN Bus Terminator Check
Battery Remove and Install
Rear Cover Remove and Install
Main Controller (MCZ) Remove and Install
Machine Controller (BCZ) Remove and Install
Engine Control Unit (ECU) Remove and Install
Exhaust Differential Pressure Sensor Zero Point Calibration
Ash Reset
No Load Max
Data Converter Remove and Install
Monitor Controller (DSZ) Remove and Install
Air Conditioner Controller (ACF) Remove and Install
Key Switch Remove and Install
Right Switch Console Remove and Install
Left Switch Console Remove and Install
Travel Alarm Remove and Install
Disconnect Tab Retainer Connectors
Disconnecting Spring Wire Clip Connectors
Replace DEUTSCH™ Connectors
Replace DEUTSCH™ Rectangular or Triangular Connectors
Install DEUTSCH™ Contact
Replace WEATHER PACK™ Connector
Install WEATHER PACK™ Contact
Replace (Pull Type) Metri-Pack™ Connectors
Replace (Push Type) Metri-Pack™ Connectors
Replace CINCH™ Connectors
Install CINCH™ Contact
Repair 32 and 48 Way CINCH™ Connectors
Remove Connector Body from Blade Terminals
Section 9020 – POWER TRAIN
Group 05 – Theory of Operation
Track Adjuster and Recoil Spring Operation
Travel Gear Case Operation
Group 15 – Diagnostic Information
Noisy or Loose Track Chain Diagnostic Procedure
Incorrect Track Sag Adjustment
Loose Track Shoes
Grease Leaking From Track Adjuster Seals, Grease Fittings, or Relief Valve
Incorrect Track Sag Adjustment
Loose Track Shoes
Grease Leaking From Track Adjuster Seals, Grease Fittings, or Relief Valve
Tight Track Chain Diagnostic Procedure
Material Packing in Sprocket
Track Sag Less Than Specification
Material Packing in Sprocket
Track Sag Less Than Specification
Frequent Track Chain Sag Adjustment Required Diagnostic Procedure
Grease Leaking From Track Adjuster Seals, Grease Fittings, or Relief Valve
Grease Leaking From Track Adjuster Seals, Grease Fittings, or Relief Valve
Excessive Oil Leakage From Front Idler, Track Rollers, or Carrier Rollers Diagnostic Procedure
Loose Plugs, Worn or Damaged O-Rings, or Metal Faced Seals
Loose Plugs, Worn or Damaged O-Rings, or Metal Faced Seals
Bent Track Shoes Diagnostic Procedure
Excessive Grouser Wear
Loose Track Shoes
Excessive High Speed Operation on Rough and Rocky Terrain
Excessive Grouser Wear
Loose Track Shoes
Excessive High Speed Operation on Rough and Rocky Terrain
‘Popping” of Track Diagnostic Procedure
Fast Reverse Travel Speed With Load
Material Packing in Sprocket
Track Sag Less Than Specification
Fast Reverse Travel Speed With Load
Material Packing in Sprocket
Track Sag Less Than Specification
Cracked Track Link Diagnostic Procedure
Material Packing in Sprocket
Track Sag Less Than Specification
Excessive High Speed Operation on Rough and Rocky Terrain
Track Shoes Too Wide for Ground Conditions
Material Packing in Sprocket
Track Sag Less Than Specification
Excessive High Speed Operation on Rough and Rocky Terrain
Track Shoes Too Wide for Ground Conditions
Chipped Link Rails Diagnostic Procedure
Repeated High Impacts With Roller Tread on Flanges Caused by a Loose or Snaky Track
Track Shoes Too Wide for Ground Conditions
Correct Track Chain Pitch
Repeated High Impacts With Roller Tread on Flanges Caused by a Loose or Snaky Track
Track Shoes Too Wide for Ground Conditions
Correct Track Chain Pitch
Individual Undercarriage Component Wear Diagnostic Procedure
Some Wear is Normal
Some Wear is Normal
Measure Swing Bearing Wear
Section 9025 – HYDRAULIC SYSTEM
Group 05 – Theory of Operation
Hydraulic System Operation
Pilot System Operation
Pilot Pump, Pressure Regulating Valve and Filter Operation
Pilot Shutoff Solenoid Valve Operation
Pilot Control Valve Operation
Travel Pilot Control Valve Operation
Pilot Operation of Control Valve Operation
Pilot Signal Manifold Operation
Pump 1, Pump 2, and Drive Gear Case Operation
Pump 1 and Pump 2 Regulator Operation
Engine Speed Sensing Control Circuit Operation
Control Valve Operation
Control Valve Check Valves Identification and Operation
Main Relief Valve Circuit Operation
Circuit Relief and Anticavitation Valve Operation
Travel Flow Combiner Valve Operation
Auxiliary Flow Combiner Valve and Bypass Shutoff Valve Operation
Boom Lower Meter-In Cut Valve Operation
Boom Regenerative Valve Circuit Operation
Dig Regenerative Valve Circuit Operation
Arm Regenerative Valve Circuit Operation
Bucket Regenerative Valve Circuit Operation
Boom and Arm Reduced Leakage Valves Operation
Arm 1 Flow Rate Control Valve Circuit Operation
Arm 2 Flow Rate Control Valve Circuit Operation
Bucket Flow Rate Control Valve Circuit Operation
Boom Flow Rate Control Valve Circuit Operation
Auxiliary Flow Rate Control Valve Circuit Operation
Blade Circuit Operation—If Equipped
Swing Reduction Gear Case Operation
Swing Motor, Crossover Relief Valve, and Make-Up Check Valve Operation
Swing Motor Park Brake Release Circuit Operation
Center Joint Operation
Travel Motor and Park Brake Valve Operation
Travel Motor Speed Circuit Operation
Diesel Particulate Filter (DPF) Burn Solenoid Valves
Cylinder Operation
Return Filter Operation
Auxiliary System Operation
Auxiliary Pilot Control Valve Operation
Flow Rate Select Solenoid Valve Operation
Flow Rate Pressure Reducing Valve Operation
Auxiliary Shuttle Valve Operation
Auxiliary High Flow Line Kit Operation
Two Way Solenoid Kit Operation
Two Pump Combined Flow Kit Operation
Group 15 – Diagnostic Information
All Hydraulic Functions Slow Diagnostic Procedure
Low Hydraulic Oil Level
Cold Hydraulic Oil
Oil Viscosity Too Heavy
Slow Engine Speed
Air Leak in Pump Suction Line
Pump Control Pilot Pressure Signal Low
Pilot Circuit Malfunction
Restricted Hydraulic Oil Tank Suction Screen
Pump 1 or Pump 2 Regulator Malfunction
Worn Pump
Main Relief Valve Setting Too Low or Malfunctioning
Power Dig Solenoid Valve Setting Too Low or Malfunctioning
Low Pilot Oil Pressure
Low Hydraulic Oil Level
Cold Hydraulic Oil
Oil Viscosity Too Heavy
Slow Engine Speed
Air Leak in Pump Suction Line
Pump Control Pilot Pressure Signal Low
Pilot Circuit Malfunction
Restricted Hydraulic Oil Tank Suction Screen
Pump 1 or Pump 2 Regulator Malfunction
Worn Pump
Main Relief Valve Setting Too Low or Malfunctioning
Power Dig Solenoid Valve Setting Too Low or Malfunctioning
Low Pilot Oil Pressure
Hydraulic Oil Overheats Diagnostic Procedure
Low Hydraulic Oil Level
Restricted Hydraulic Oil Cooler
Oil Viscosity Too Light
Machine Lift Capacity Exceeded
Restricted Hydraulic Oil Return Filter
Main Relief Valve Setting Too Low or Malfunctioning
Power Dig Valve Setting Too Low or Malfunctioning
Oil Cooler Bypass Valve Stuck Open
Pump Stuck at Maximum Displacement
Low Hydraulic Oil Level
Restricted Hydraulic Oil Cooler
Oil Viscosity Too Light
Machine Lift Capacity Exceeded
Restricted Hydraulic Oil Return Filter
Main Relief Valve Setting Too Low or Malfunctioning
Power Dig Valve Setting Too Low or Malfunctioning
Oil Cooler Bypass Valve Stuck Open
Pump Stuck at Maximum Displacement
No Hydraulic Functions Diagnostic Procedure
Pilot Shutoff Lever in Locked (UP) Position
Pilot Shutoff Solenoid Malfunction
Low Hydraulic Oil Level
Pump Drive Malfunction
Restricted Hydraulic Oil Tank Suction Screen
Pilot Shutoff Lever in Locked (UP) Position
Pilot Shutoff Solenoid Malfunction
Low Hydraulic Oil Level
Pump Drive Malfunction
Restricted Hydraulic Oil Tank Suction Screen
Poor Combined Operation Diagnostic Procedure
Front Attachment Pressure Sensor (B32) or Travel Pressure Sensor (B34) Malfunction
Pilot Control Valve Malfunction
Check Valves or Pump 1 or Pump 2 Flow Rate Pilot Valve Stuck
Front Attachment Pressure Sensor (B32) or Travel Pressure Sensor (B34) Malfunction
Pilot Control Valve Malfunction
Check Valves or Pump 1 or Pump 2 Flow Rate Pilot Valve Stuck
All Functions Cannot Be Operated Diagnostic Procedure
Pilot Shutoff Lever in Unlocked (DOWN) Position
Pilot Shutoff Solenoid Malfunction
Low Pilot Oil Pressure
Pilot Shutoff Lever in Unlocked (DOWN) Position
Pilot Shutoff Solenoid Malfunction
Low Pilot Oil Pressure
Function Does Not Stop When Control Lever Released Diagnostic Procedure
Control Valve Spool Stuck
Pilot Signal Manifold Malfunction
Left and Right Pilot Valve Malfunction
Control Valve Spool Stuck
Pilot Signal Manifold Malfunction
Left and Right Pilot Valve Malfunction
Some Functions Cannot Be Operated, All Others Are Normal Diagnostic Procedure
Pilot Cap Loose
Pilot Control Valve or Hydraulic Line Malfunction
Pump 1 or Pump 2 Flow Rate Pilot Valve Spool Stuck
Control Valve Spool Stuck
Pilot Cap Loose
Pilot Control Valve or Hydraulic Line Malfunction
Pump 1 or Pump 2 Flow Rate Pilot Valve Spool Stuck
Control Valve Spool Stuck
All Functions Slow Diagnostic Procedure
Restricted Pilot Filter
Torque Control Solenoid Malfunction
Low Pilot Oil Pressure
Restricted Pilot Shutoff Solenoid Valve
Restricted Pilot Filter
Torque Control Solenoid Malfunction
Low Pilot Oil Pressure
Restricted Pilot Shutoff Solenoid Valve
Functions Move in Opposite Direction Diagnostic Procedure
Pilot Control Hoses Connected Incorrectly
Pilot Control Hoses Connected Incorrectly
All Dig Functions Slow or No Power Diagnostic Procedure
Hydraulic System Malfunction
Pilot Circuit Malfunction
Pump 1 or Pump 2 Regulator Malfunction
Hydraulic System Malfunction
Pilot Circuit Malfunction
Pump 1 or Pump 2 Regulator Malfunction
Some Dig Functions Slow (Not All) Diagnostic Procedure
Pilot Circuit Malfunction
Control Valve Leakage
Cylinder Leakage
Circuit Relief Valve Setting Too Low or Malfunctioning
Control Valve Spool Stuck
Pump 1 or Pump 2 Flow Rate Pilot Valve Spool Stuck
Pilot Circuit Malfunction
Control Valve Leakage
Cylinder Leakage
Circuit Relief Valve Setting Too Low or Malfunctioning
Control Valve Spool Stuck
Pump 1 or Pump 2 Flow Rate Pilot Valve Spool Stuck
Load Drifts Down When Control Lever is in Neutral Position Diagnostic Procedure
Cylinder Leakage
Circuit Relief Valve Setting Too Low or Malfunctioning
Boom Manual Lower Screw Loose
Control Valve Leakage
Cylinder Leakage
Circuit Relief Valve Setting Too Low or Malfunctioning
Boom Manual Lower Screw Loose
Control Valve Leakage
Load Falls When Control Valve is Actuated To Raise Load With Engine Running at Slow Idle Diagnostic Procedure
Lift Check Valve Leakage
Lift Check Valve Leakage
H/P (High Power) Function Does Not Operate, PWR (Power) Mode is Normal Diagnostic Procedure
Slow Engine Speed
Pressure Sensor Malfunction
Power Mode Button Malfunction
Slow Engine Speed
Pressure Sensor Malfunction
Power Mode Button Malfunction
Swing Speed Slow in Both Directions Diagnostic Procedure
Slow Engine Speed
Swing Motor Crossover Relief Valve Malfunction
Control Valve Leakage
Swing Motor Leakage
Swing Park Brake Not Fully Released
Pump 2 Worn
Slow Engine Speed
Swing Motor Crossover Relief Valve Malfunction
Control Valve Leakage
Swing Motor Leakage
Swing Park Brake Not Fully Released
Pump 2 Worn
Swing Speed Slow or Does Not Operate in One Direction Diagnostic Procedure
Pilot Circuit Malfunction
Swing Motor Make-Up Check Valve Leakage
Swing Motor Crossover Relief Valve Malfunction
Control Valve Sticking
Pilot Circuit Malfunction
Swing Motor Make-Up Check Valve Leakage
Swing Motor Crossover Relief Valve Malfunction
Control Valve Sticking
Upperstructure Drift with Swing Valve in Neutral Diagnostic Procedure
Park brake operation
Drift direction
Case drain leakage
Damper valve spool sticking
Swing motor make-up check valve leakage
Swing motor crossover relief valve malfunction
Swing park brake not engaging
Park brake operation
Drift direction
Case drain leakage
Damper valve spool sticking
Swing motor make-up check valve leakage
Swing motor crossover relief valve malfunction
Swing park brake not engaging
Swing Function Does Not Operate Diagnostic Procedure
Pilot Circuit Malfunction
Swing Park Brake Malfunction
Control Valve Stuck
Mechanical Malfunction of Swing Motor or Gear Case
Pilot Circuit Malfunction
Swing Park Brake Malfunction
Control Valve Stuck
Mechanical Malfunction of Swing Motor or Gear Case
Travel Park Brakes Do Not Apply Diagnostic Procedure
Counterbalance Valve Spool Stuck, Oil Not Releasing From Piston Cavity
Mechanical Malfunction of Travel Motor and Gear Case
Counterbalance Valve Spool Stuck, Oil Not Releasing From Piston Cavity
Mechanical Malfunction of Travel Motor and Gear Case
Track Will Not Move in One Direction Diagnostic Procedure
Pilot Circuit Malfunction
Travel Motor Crossover Relief Valve Malfunction
Control Valve Stuck
Counterbalance Valve Spool Stuck
Center Joint Leakage
Pilot Circuit Malfunction
Travel Motor Crossover Relief Valve Malfunction
Control Valve Stuck
Counterbalance Valve Spool Stuck
Center Joint Leakage
Track Will Not Move in Either Direction Diagnostic Procedure
Pilot Circuit Malfunction
Travel Motor Crossover Relief Valve Malfunction
Control Valve Stuck
Counterbalance Valve Spool Stuck
Mechanical Malfunction of Travel Motor or Gear Case
Center Joint Leakage
Pilot Circuit Malfunction
Travel Motor Crossover Relief Valve Malfunction
Control Valve Stuck
Counterbalance Valve Spool Stuck
Mechanical Malfunction of Travel Motor or Gear Case
Center Joint Leakage
Machine Mistracks at All Speeds in Both Directions Diagnostic Procedure
Incorrect Track Sag Adjustment
Pilot Control Valve Malfunction
Travel Motor Crossover Relief Valve
Servo Piston Shuttle Valve Leakage
Travel Motor Leakage
Center Joint Leakage
Pump 1 or Pump 2 Regulator Malfunction
Incorrect Track Sag Adjustment
Pilot Control Valve Malfunction
Travel Motor Crossover Relief Valve
Servo Piston Shuttle Valve Leakage
Travel Motor Leakage
Center Joint Leakage
Pump 1 or Pump 2 Regulator Malfunction
Slow Travel Speed or Low Power Diagnostic Procedure
Incorrect Track Sag Adjustment
Travel Motor Crossover Relief Valve Malfunction
Travel Park Brake Not Releasing
Travel Motor Leakage
Center Joint Leakage
Worn Pump
Engine Performance Low
Incorrect Track Sag Adjustment
Travel Motor Crossover Relief Valve Malfunction
Travel Park Brake Not Releasing
Travel Motor Leakage
Center Joint Leakage
Worn Pump
Engine Performance Low
Combined Travel and Dig Functions Slow or No Power Diagnostic Procedure
Travel Flow Combiner Valve Circuit Malfunction
Control Valve Stuck
Travel Flow Combiner Valve Circuit Malfunction
Control Valve Stuck
Travel is ‘Jerky” Diagnostic Procedure
Incorrect Track Sag Adjustment
Roller Malfunction
Travel Park Brake Leakage
Mechanical Malfunction of Travel Motor or Gear Case
Undercarriage Components Worn
Incorrect Track Sag Adjustment
Roller Malfunction
Travel Park Brake Leakage
Mechanical Malfunction of Travel Motor or Gear Case
Undercarriage Components Worn
Machine Will Not Hold Back and Park Brakes Engage and Disengage When Traveling Down an Incline Diagnostic Procedure
Counterbalance Valve Spool Stuck
Counterbalance Valve Spool Stuck
Machine Will Not Turn Smoothly in One Direction or Park Brake Grabs Diagnostic Procedure
Counterbalance Valve Spool Stuck
Counterbalance Valve Spool Stuck
Pump 1, Pump 2, and Pilot Pump Line Identification
Control Valve Line Identification
Swing Motor Line Identification
Pilot Control Valve-to-Pilot Signal Manifold Component Location—Excavator Pattern
Pilot Control Valve-to-Pilot Signal Manifold Component Location—Backhoe Pattern
Pilot Signal Manifold-to-Control Valve Line Connection
Travel System Component Location
Travel Hydraulic System Line Connection
Blade Hydraulic System Component Location
Auxiliary Attachment Schematic
Auxiliary System Line Connections
Hydraulic System Schematic
Hydraulic System Component Location
Hydraulic System Line Connections
Group 25 – Tests
JT05800 Digital Thermometer Installation
JT02156A Digital Pressure and Temperature Analyzer Kit Installation
General Hydraulic Oil Cleanup Procedure
Hydraulic Component Failure Cleanup Procedure
Hydraulic Oil Tank Pressure Release Procedure
Hydraulic Oil Warm-Up Procedure
Pilot Pressure Regulating Valve Test and Adjustment
Control Valve Spool Actuating Pilot Pressure Test
Dig Regenerative Solenoid Valve Test and Adjustment
Arm Regenerative Solenoid Valve Test and Adjustment
Power Dig Solenoid Valve Test and Adjustment
Arm 2 Flow Control Solenoid Valve Test and Adjustment
Torque Control Solenoid Valve Test and Adjustment
Pump Control Pilot Pressure Signal Test
Main Relief and Power Dig Valve Test and Adjustment
Circuit Relief Valve Test and Adjustment
Blade Main Relief Valve Test and Adjustment
Swing Motor Crossover Relief Valve Test and Adjustment
Travel Motor Crossover Relief Valve Test and Adjustment
Pump Regulator Test and Adjustment—Minimum Flow
Pump Regulator Test and Adjustment—Maximum Flow
Pump Flow Test
Swing Motor Leakage Test
Travel Motor Leakage Test
Cylinder Drift Test—Boom, Arm, and Bucket
Section 9031 – HEATING AND AIR CONDITIONING
Group 05 – Theory of Operation
Air Conditioning System Cycle of Operation
Group 15 – Diagnostic Information
Air Conditioning System Does Not Operate Diagnostic Procedure
Diagnostic Trouble Code Check
Monitor Settings Check
Fuse Check
Air Conditioner Compressor Belt Check
Vent Air Flow Check
Diagnostic Trouble Code Check
Monitor Settings Check
Fuse Check
Air Conditioner Compressor Belt Check
Vent Air Flow Check
No Air Flow From Heater and Air Conditioner Vents Diagnostic Procedure
Cab Fresh Air Filter Restriction Check
Cab Recirculating Air Filter Restriction Check
Evaporator Core Air Flow Restriction Check
Evaporator Core Fins Check
Air Conditioner Compressor Clutch Check
Air Conditioner and Heater Blower Motor Operation Check
Fuse Check
Air Conditioner and Heater Blower Motor Circuit Check
Air Conditioner and Heater Blower Motor Relay Check
Air Conditioner and Heater Blower Motor Check
Air Conditioner Fan Speed Switch and Circuit Check
Wiring Harness Check
Air Conditioner Controller (ACF) Signal Check
Cab Fresh Air Filter Restriction Check
Cab Recirculating Air Filter Restriction Check
Evaporator Core Air Flow Restriction Check
Evaporator Core Fins Check
Air Conditioner Compressor Clutch Check
Air Conditioner and Heater Blower Motor Operation Check
Fuse Check
Air Conditioner and Heater Blower Motor Circuit Check
Air Conditioner and Heater Blower Motor Relay Check
Air Conditioner and Heater Blower Motor Check
Air Conditioner Fan Speed Switch and Circuit Check
Wiring Harness Check
Air Conditioner Controller (ACF) Signal Check
Air Conditioning Does Not Cool Interior of Cab Diagnostic Procedure
Cab Fresh Air Filter Restriction Check
Cab Recirculating Air Filter Restriction Check
Cab Seals Check
Refrigerant Hose Restriction Check
Condenser Air Flow Restriction Check
Evaporator Core Air Flow Restriction Check
Evaporator Core Fins Check
System Operating Pressures Check
Cab Fresh Air Filter Restriction Check
Cab Recirculating Air Filter Restriction Check
Cab Seals Check
Refrigerant Hose Restriction Check
Condenser Air Flow Restriction Check
Evaporator Core Air Flow Restriction Check
Evaporator Core Fins Check
System Operating Pressures Check
Air Conditioning Runs Constantly, Too Cold Diagnostic Procedure
Air Conditioning System Check
Evaporator Core Component Check
Air Conditioner Compressor Clutch Relay Check
Wiring Harness Check
Air Conditioning System Check
Evaporator Core Component Check
Air Conditioner Compressor Clutch Relay Check
Wiring Harness Check
Interior Windows Continue to Fog Using Air Conditioner Diagnostics Procedure
Air Conditioning System Check
Cab Fresh Air Filter Restriction Check
Cab Recirculating Air Filter Restriction Check
Check Air Conditioner Drain Hoses
Heater Core Check
Air Conditioning System Check
Cab Fresh Air Filter Restriction Check
Cab Recirculating Air Filter Restriction Check
Check Air Conditioner Drain Hoses
Heater Core Check
Heater System Does Not Operate Diagnostic Procedure
Diagnostic Trouble Code Check
Monitor Settings Check
Fuse Check
Cab Fresh Air Filter Restriction Check
Cab Recirculating Air Filter Restriction Check
Air Conditioner and Heater Blower Motor Relay Check
Air Conditioner and Heater Blower Motor Check
Air Conditioner and Heater Blower Motor Circuit Check
Heater Air Conditioner Fan Speed Switch and Circuit Check
Wiring Harness Check
Air Conditioner Controller (ACF) Signal Check
Diagnostic Trouble Code Check
Monitor Settings Check
Fuse Check
Cab Fresh Air Filter Restriction Check
Cab Recirculating Air Filter Restriction Check
Air Conditioner and Heater Blower Motor Relay Check
Air Conditioner and Heater Blower Motor Check
Air Conditioner and Heater Blower Motor Circuit Check
Heater Air Conditioner Fan Speed Switch and Circuit Check
Wiring Harness Check
Air Conditioner Controller (ACF) Signal Check
Heater Does Not Warm Interior of Cab Diagnostic Procedure
Heater Check
Coolant Check
Cab Fresh Air Filter Restriction Check
Cab Recirculating Air Filter Restriction Check
Heater Hose Restriction Check
Heater Door Servo Motor Check
Heater Core Air Flow Restriction Check
Heater Check
Coolant Check
Cab Fresh Air Filter Restriction Check
Cab Recirculating Air Filter Restriction Check
Heater Hose Restriction Check
Heater Door Servo Motor Check
Heater Core Air Flow Restriction Check
Interior Windows Continue to Fog Using Heater Diagnostic Procedure
Cab Fresh Air Filter Restriction Check
Heater Core Leak Check
Cab Seals Check
Air Conditioner Check
Door Servo Motor Check
Cab Fresh Air Filter Restriction Check
Heater Core Leak Check
Cab Seals Check
Air Conditioner Check
Door Servo Motor Check
Heater and Air Conditioner Component Location
Group 25 – Tests
Refrigerant Cautions and Proper Handling
Visual Inspection of Components
Lines and Hoses Check
Air Conditioner Compressor Check
Condenser Check
Engine Fan Check
Heater/Evaporator Core Check
Cab Air Filter Check
Cab Door and Windows Check
Lines and Hoses Check
Air Conditioner Compressor Check
Condenser Check
Engine Fan Check
Heater/Evaporator Core Check
Cab Air Filter Check
Cab Door and Windows Check
Air Conditioner Compressor Clutch Test
Refrigerant Leak Test
Refrigerant Hoses and Tubing Inspection
Air Conditioner Compressor Belt Check
R134a Air Conditioning System Test
Operating Pressure Diagnostic Chart
Section 9900 – DEALER FABRICATED TOOLS
Group 99 – Dealer Fabricated Tools
DFT1218 Split Flange Hose Cap
John Deere 135G Excavator Diagnostic Operation and Test Manual TM12666 PDF
$40
- Language: English
- Format: PDF
- Type of Manual: Diagnostic Operation Test Manual
- Type of Machine: Excavator
- Model: 135G (iT4) (S.N. 1FF135GX__E400001-)
- Part Number: TM12666
- Number of Pages: 1035 Pages
Category: John Deere Wiring Diagrams PDF
Tag: Agricultural
Description
Related products
-50%
-50%
-50%
-50%
-50%
-50%
-50%








