For complete service information also see:
200CLC, 230CLC, and 270CLC Excavator
Repair TM1931
Alternators and Starting Motors CTM77
PowerTech 4.5L and 6.8L Diesel Engines
Level 12 Electronic Fuel System With
Stanadyne DE10 Pump
CTM331
Super Caddy Oil Cleanup Procedure CTM310
PowerTech 4.5 L and 6.8 L OEM Diesel —
Engines Level 4 Electronic Fuel Systems
With Bosch VP44 Pump
CTM170
PowerTech 4.5L & 6.8L Diesel Engines
Tier 1/Stage I, Tier 2/Stage II, Tier
3/Stage IIIA, Tier 3/Stage IIA Tier 3/Stage
III, (Base Engine)
CTM104
JDG10274 Ultrasonic Undercarriage
Measurement Gauge CTM10001
Table of contents
FOREWORD
TECHNICAL INFORMATION FEEDBACK FORM
Section 9000 – GENERAL INFORMATION
Group 01 – Safety
Recognize Safety Information
Follow Safety Instructions
Operate Only If Qualified
Wear Protective Equipment
Avoid Unauthorized Machine Modifications
Add Cab Guarding for Special Uses
Inspect Machine
Stay Clear of Moving Parts
Avoid High-Pressure Oils
Beware of Exhaust Fumes
Prevent Fires
Prevent Battery Explosions
Handle Chemical Products Safely
Dispose of Waste Properly
Prepare for Emergencies
Use Steps and Handholds Correctly
Start Only From Operator′s Seat
Use and Maintain Seat Belt
Prevent Unintended Machine Movement
Avoid Work Site Hazards
Keep Riders Off Machine
Avoid Backover Accidents
Avoid Machine Tip Over
Use Special Care When Lifting Objects
Add and Operate Attachments Safely
Park and Prepare for Service Safely
Service Cooling System Safely
Remove Paint Before Welding or Heating
Make Welding Repairs Safely
Drive Metal Pins Safely
Section 9005 – OPERATIONAL CHECKOUT PROCEDURE
Group 10 – Operational Checkout Procedure
Operational Checks—Engine On
Diagnostic Trouble Code Check
Gauges, Monitor, and Battery Disconnect Relay Checks
Propel Lever and Pedal Checks
Monitor and Gauge Circuit Checks
Pilot Control Shut-Off Valve Checks
Engine RPM Dial Checks
Power Mode Circuit Checks
E (Economy) Mode Check
HP (High Power) Mode Check
Auto-Idle Circuit Check
Auto-Acceleration Circuit Check
Propel Alarm Check
Propel Alarm Stop Circuit Check
Hydraulic Oil Tank Pressurization Check
Swing Dynamic Braking Check
Swing Park Brake and Circuit Drift Check
Swing Power Check
Dig Function Drift Check
Swing Priority Circuit Check
Control Valve Lift Check Test
Boom Up, Arm In, and Bucket Combined Operation Check
Arm Regenerative Valve Operation Check
Propel System Tracking Check
Propel System Tracking Checks While Operating a Dig Function
Propel System Maneuverability Check
Propel Speed Selection Check
Cycle Times Check—200CLC
Cycle Times Check—230CLC
Cycle Times Check—270CLC
Light Circuit Checks
Windshield Wiper Circuit Check
Windshield Washer Circuit Check
Windshield Wiper and Washer Enable Switch Circuit Check
Horn Circuit Check
Heater Controls Check (Heater Only)
Heater And Air Conditioner Controls Check (Automatic Temperature Control)
Diagnostic Trouble Code Check
Gauges, Monitor, and Battery Disconnect Relay Checks
Propel Lever and Pedal Checks
Monitor and Gauge Circuit Checks
Pilot Control Shut-Off Valve Checks
Engine RPM Dial Checks
Power Mode Circuit Checks
E (Economy) Mode Check
HP (High Power) Mode Check
Auto-Idle Circuit Check
Auto-Acceleration Circuit Check
Propel Alarm Check
Propel Alarm Stop Circuit Check
Hydraulic Oil Tank Pressurization Check
Swing Dynamic Braking Check
Swing Park Brake and Circuit Drift Check
Swing Power Check
Dig Function Drift Check
Swing Priority Circuit Check
Control Valve Lift Check Test
Boom Up, Arm In, and Bucket Combined Operation Check
Arm Regenerative Valve Operation Check
Propel System Tracking Check
Propel System Tracking Checks While Operating a Dig Function
Propel System Maneuverability Check
Propel Speed Selection Check
Cycle Times Check—200CLC
Cycle Times Check—230CLC
Cycle Times Check—270CLC
Light Circuit Checks
Windshield Wiper Circuit Check
Windshield Washer Circuit Check
Windshield Wiper and Washer Enable Switch Circuit Check
Horn Circuit Check
Heater Controls Check (Heater Only)
Heater And Air Conditioner Controls Check (Automatic Temperature Control)
Section 9010 – ENGINE
Group 05 – Theory of Operation
Engine Speed Control System Operation
Group 15 – Diagnostic Information
Diagnose Engine Malfunctions—200CLC (S.N. —504000), 230CLC and 270CLC
Diagnose Engine Malfunctions—200CLC (S.N. 504001—)
Group 25 – Tests
Engine Speed Test
Fuel Line Leakage Test
Engine Power Test Using Turbocharger Boost Pressure
Section 9015 – ELECTRICAL SYSTEM
Group 05 – System Information
Electrical Diagram Information
Group 10 – System Diagrams
Explanation of Wire Markings
Fuse Specifications
System Functional Schematic, Component Location, and Wiring Diagram Master Legend
System Functional Schematic
Cab Harness (W1) Component Location
Cab Harness (W1) Wiring Diagram
Machine Harness (W2) Component Location
Machine Harness (W2) Wiring Diagram
Monitor Harness (W3) Component Location
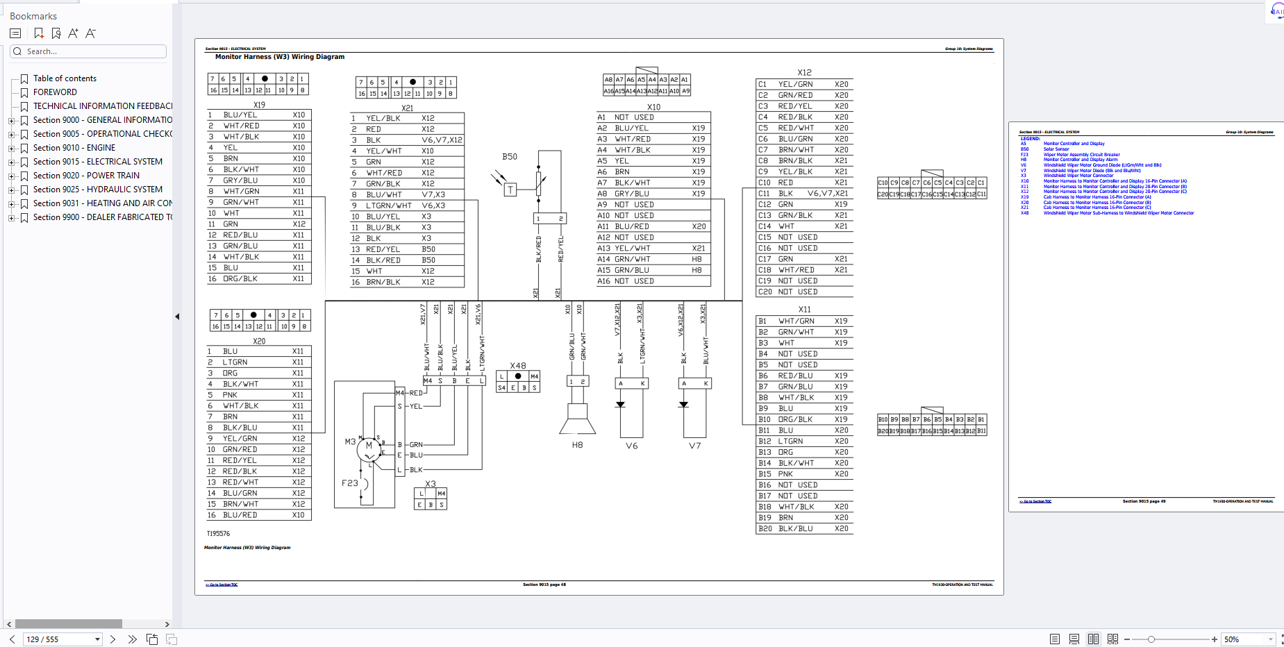
Monitor Harness (W3) Wiring Diagram
Air Conditioner and Heater Harness (W7) Component Location
Air Conditioner and Heater Harness (W7) Wiring Diagram
Pump Harness (W12) Component Location
Pump Harness (W12) Wiring Diagram
Engine Harness (W18) Component Location — 200CLC (S.N. —504000), 230CLC, and 270CLC
Engine Harness (W18) Wiring Diagram — 200CLC (S.N. —504000), 230CLC, and 270CLC
Engine Control Unit Harness (W19) Component Location — 200CLC (S.N. —504000), 230CLC, and 270CLC
Engine Control Unit Harness (W19) Wiring Diagram — 200CLC (S.N. —504000), 230CLC, and 270CLC
Engine Harness (W22) Component Location — 200CLC (S.N. 504001—)
Engine Harness (W22) Wiring Diagram — 200CLC (S.N. 504001—)
Engine Control Unit Harness (W23) Component Location — 200CLC (S.N. 504001—)
Engine Control Unit Harness (W23) Wiring Diagram — 200CLC (S.N. 504001—)
Group 15 – Sub-System Diagnostics
Starting and Charging Circuit Theory of Operation
Propel Alarm Circuit Theory of Operation
Monitor Controller and Display Circuit Theory of Operation
Engine Control Unit Circuit Theory of Operation — 200CLC (S.N. —504000), 230CLC, and 270CLC
Engine Control Unit Circuit Theory of Operation — 200CLC (S.N. 504001—)
Pump and Valve Controller Circuit Theory of Operation
Windshield Wiper and Washer Circuit Theory of Operation
Air Conditioner and Heater Controller Circuit Theory of Operation
Group 20 – References
Diagnostic Display Unit Operation
Excavator Diagnostic Program General Description and Overview
Reading Diagnostic Trouble Codes Without Laptop Computer
Engine Diagnostic Trouble Codes — 200CLC (S.N. —504000), 230CLC and 270CLC
Engine Diagnostic Trouble Codes — 200CLC (S.N. 504001—)
Pump and Valve Controller Diagnostic Trouble Codes
Monitor Display Diagnostic System Operation
Monitor Data Items
Alternator Test Procedure
Fuse Test
Relay Test
Pressure Sensor Test
Solenoid Test
Temperature Sensor Test
Engine Speed (N) Sensor Test
Component Checks
Key Switch Check
Battery Relay Check
Starter (M1) Solenoid Check
Starter (M1) Motor Check
Battery Voltage Check
Fusible Link Check
Alternator Output Check
Starter Relay Check
Diode Check
Propel Alarm Check
Monitor Controller and Display Alarm Check
CAN Bus Terminator Check
CAN Bus Resistor Check
Key Switch Check
Battery Relay Check
Starter (M1) Solenoid Check
Starter (M1) Motor Check
Battery Voltage Check
Fusible Link Check
Alternator Output Check
Starter Relay Check
Diode Check
Propel Alarm Check
Monitor Controller and Display Alarm Check
CAN Bus Terminator Check
CAN Bus Resistor Check
Battery Remove and Install
Rear Cover Remove and Install
Machine Information Center (MIC) Remove and Install
Pump and Valve Controller (PVC) Remove and Install
Engine Control Unit (ECU) Remove and Install
Key Switch Remove and Install
Propel Alarm Cancel Switch Remove and Install
Propel Alarm Remove and Install
Windshield Wiper Enable Switch Remove and Install
Switch Panel (A4) Remove and Install
Monitor Controller and Display (A5) Remove and Install
Disconnect Tab Retainer Connectors
Disconnecting Spring Wire Clip Connectors
Replace DEUTSCH DEUTSCH is a trademark of the Deutsch Co. Connectors
Install DEUTSCH DEUTSCH is a trademark of the Deutsch Co. Contacts
Replace WEATHER PACK WEATHER PACK is a trademark of Packard Electric. Connector
Install WEATHER PACK WEATHER PACK is a trademark of Packard Electric. Contacts
Replace (Pull Type) Metri-Pack™ Connectors
Replace (Push Type) Metri-Pack™ Connectors
Remove Connector Body from Blade Terminals
Section 9020 – POWER TRAIN
Group 05 – Theory of Operation
Track Adjuster and Recoil Spring Operation
Propel Gearbox Operation—200CLC and 230CLC
Propel Gearbox Operation—270CLC
Group 15 – Diagnostic Information
Diagnose Undercarriage Components Malfunctions
Measure Swing Bearing Wear
Section 9025 – HYDRAULIC SYSTEM
Group 05 – Theory of Operation
Hydraulic System Diagram and Operation
Pilot System Diagram and Operation
Pilot Pump, Pressure Regulating Valve and Filter Operation
Pilot Control Shut-Off Valve Operation
Pilot Controller Operation
Propel Pilot Controller Operation
Pilot Operation of Control Valve Operation
Pilot Signal Manifold Operation
Pump and Drive Gearbox Operation
Hydraulic Pump Regulator Operation
Engine Speed Sensing Control Circuit Operation
Control Valve Operation
Control Valve Check Valves Identification And Operation
System Relief and Power Boost Valve Circuit Operation
Circuit Relief Valve Operation
Propel Flow Combiner Valve Operation
Arm Regenerative Valve Circuit Operation
Bucket and Boom Regenerative Valve Circuit Operation
Boom and Arm Reduced Leakage Valves Operation
Swing Priority Flow Rate Valve Circuit Operation — 200CLC (S.N. —503485), 230CLC (S.N. —603182), and 270CLC (S.N. —071103)
Swing Priority Flow Rate Valve Circuit Operation — 200CLC (S.N. 503486—), 230CLC (S.N. 603183—), and 270CLC (S.N. 071104—)
Bucket Flow Rate Valve Circuit Operation
Swing Gearbox Operation
Swing Motor, Crossover Relief Valve, and Make-Up Check Valve Operation—200CLC and 230CLC
Swing Motor, Crossover Relief Valve, and Make-Up Check Valve Operation—270CLC
Swing Motor Park Brake Release Circuit Operation—200CLC and 230CLC
Swing Motor Park Brake Release Circuit Operation—270CLC
Rotary Manifold Operation
Propel Motor Operation—200CLC and 230CLC
Propel Motor Operation—270CLC
Propel Motor Speed Circuit Operation—200CLC and 230CLC
Propel Motor Speed Circuit Operation—270CLC
Cylinder Operation
Return Filter Operation
Hydraulic System Circuit Symbols
Hydraulic System Schematic
Group 15 – Diagnostic Information
Diagnose Electronic and Control Valve Component Malfunctions
Diagnose Hydraulic System Malfunctions
Diagnose Pilot Circuit Malfunctions
Diagnose Dig Circuit Malfunctions
Diagnose Swing Circuit Malfunctions
Diagnose Propel System Malfunctions
Control Valve Line Identification
Main Hydraulic System Component Location
Pilot Controllers-to-Pilot Signal Manifold Component Location—Excavator Pattern
Pilot Controllers-to-Pilot Signal Manifold Component Location—Backhoe Pattern
Pilot Signal Manifold-to-Control Valve Line Connection — 200CLC (S.N. —503485), 230CLC (S.N. —603182), 270CLC (S.N. —071103)
Pilot Signal Manifold-to-Control Valve Line Connection — 200CLC (S.N. 503486—), 230CLC (S.N. 603183—), 270CLC (S.N. 071104—)
Propel System Component Location
Group 25 – Tests
JT05801 Clamp-On Electronic Tachometer Installation
JT05800 Digital Thermometer Installation
JT02156A Digital Pressure/Temperature Analyzer Installation
Hydraulic Oil Filter Inspection Procedure
Hydraulic Oil Cleanup Procedure Using Portable Filter Caddy
Hydraulic System Warm-Up Procedure
Cylinder Drift Test—Boom, Arm, and Bucket
Pilot Pressure Regulating Valve Test and Adjustment
Valve Spool Actuating Pilot Pressure Test
System Relief and Power Boost Valve Test and Adjustment
Circuit Relief Valve Test and Adjustment
Swing Motor Crossover Relief Valve Test and Adjustment—200CLC and 230CLC
Swing Motor Crossover Relief Valve Test and Adjustment—270CLC
Propel Motor Crossover Relief Valve Test and Adjustment—200CLC and 230CLC
Propel Motor Crossover Relief Valve Test and Adjustment—270CLC
Power Boost, Propel Speed, Swing Priority, and Arm Regenerative Solenoid Valve Test and Adjustment
Hydraulic Pump Regulator Test and Adjustment—Minimum Flow—200CLC
Hydraulic Pump Regulator Test and Adjustment—Minimum Flow—230CLC
Hydraulic Pump Regulator Test and Adjustment—Minimum Flow—270CLC
Hydraulic Pump Regulator Test and Adjustment—Maximum Flow—200CLC
Hydraulic Pump Regulator Test and Adjustment—Maximum Flow—230CLC
Hydraulic Pump Regulator Test and Adjustment—Maximum Flow—270CLC
Hydraulic Pump Regulator Test and Adjustment—Engine Pulldown—200CLC
Hydraulic Pump Regulator Test and Adjustment—Engine Pulldown—230CLC
Hydraulic Pump Regulator Test and Adjustment—Engine Pulldown—270CLC
Hydraulic Pump Flow Test—200CLC and 230CLC
Hydraulic Pump Flow Test—270CLC
Swing Motor Leakage Test—200CLC and 230CLC
Swing Motor Leakage Test—270DLC
Propel Motor Leakage Test—200CLC and 230CLC
Travel Motor Leakage Test—270DLC
Section 9031 – HEATING AND AIR CONDITIONING
Group 05 – Theory Of Operation
Air Conditioning System Cycle Of Operation
Group 15 – Diagnostic Information
Diagnose Air Conditioning System Malfunctions
Diagnose Heating System Malfunctions
Air Conditioner and Heater Diagnostic System Operation
Mix Door Does Not Operate Properly
No Power to Mix Door Actuator When Set To Full Hot
No Power to Mix Door Actuator When Set To Full Cold
Mix Door Linkage Binding or Damaged
Check Maximum Sensing Voltage
Check Minimum Sensing Voltage
No Power to Mix Door Actuator When Set To Full Hot
No Power to Mix Door Actuator When Set To Full Cold
Mix Door Linkage Binding or Damaged
Check Maximum Sensing Voltage
Check Minimum Sensing Voltage
Mode Door Does Not Operate Properly
No Power to Mode Door Actuator When Set To Foot Vent
No Power to Mode Door Actuator When Set To Front Vent
Mode Door Linkage Binding or Damaged
Check Mode Door Sensing Terminals
No Power to Mode Door Actuator When Set To Foot Vent
No Power to Mode Door Actuator When Set To Front Vent
Mode Door Linkage Binding or Damaged
Check Mode Door Sensing Terminals
Compressor Does Not Operate
No Power to Air Conditioner and Heater Internal and External Servomotor
No Power to Servomotor When Set to Recirculate
No Power to Servomotor When Set to Fresh Air
No Power to Chassis Connector
No Power to Compressor
Blown Fuse
Air Conditioner Compressor Clutch Relay Not Functioning
Air Conditioner Freeze Control Switch Not Functioning
No Power to Air Conditioner and Heater Internal and External Servomotor
No Power to Servomotor When Set to Recirculate
No Power to Servomotor When Set to Fresh Air
No Power to Chassis Connector
No Power to Compressor
Blown Fuse
Air Conditioner Compressor Clutch Relay Not Functioning
Air Conditioner Freeze Control Switch Not Functioning
Blower Motor Does Not Operate
No Power to Blower Motor
Fuse Blown
Blower Motor Relay Not Functioning
Controller Not Functioning
No Power to Blower Motor
Fuse Blown
Blower Motor Relay Not Functioning
Controller Not Functioning
Air Conditioner Controller Diagnostic Trouble Codes
Harness Diagnostics
Connector Check
Open Circuit Check
Connector Check
Open Circuit Check
Harness Diagnostics
Connector Check
Short Circuit Check
Connector Check
Short Circuit Check
Harness Diagnostics
Connector Check
Open Circuit Check
Continuity Check
Connector Check
Open Circuit Check
Continuity Check
Harness and Sensor Diagnostics
Connector Check
Open Circuit Check
Sensor Check
Connector Check
Open Circuit Check
Sensor Check
Harness Diagnostics
Connector Check
Short Circuit Check
Sensor Check
Connector Check
Short Circuit Check
Sensor Check
Harness Diagnostics
Connector Check
Open Circuit Check
Sensor Check
Connector Check
Open Circuit Check
Sensor Check
Harness Diagnostics
Connector Check
Short Circuit Check
Sensor Check
Connector Check
Short Circuit Check
Sensor Check
Harness Diagnostics
Connector Check
Open Circuit Check
Sensor Check
Connector Check
Open Circuit Check
Sensor Check
Harness Diagnostics
Connector Check
Short Circuit Check
Sensor Check
Connector Check
Short Circuit Check
Sensor Check
Harness Diagnostics
Connector Check
Open Circuit Check
Sensor Check
Connector Check
Open Circuit Check
Sensor Check
Harness Diagnostics
Connector Check
Short Circuit Check
Sensor Check
Connector Check
Short Circuit Check
Sensor Check
Heater and Air Conditioner Component Location
Group 25 – Tests
Visual Inspection Of All Components
Lines and Hoses Check
Air Conditioner Compressor Check
Condenser Check
Heater/Evaporator Core Check
Freeze Control Switch Capillary Tube Check
Cab Door and Window Seals Check
Filter Check
Lines and Hoses Check
Air Conditioner Compressor Check
Condenser Check
Heater/Evaporator Core Check
Freeze Control Switch Capillary Tube Check
Cab Door and Window Seals Check
Filter Check
R134a Air Conditioning System Test
Air Conditioner Compressor Clutch Test
Refrigerant Leak Test
Refrigerant Hoses and Tubing Inspection
Air Conditioner and Heater Sensors Test
Section 9900 – DEALER FABRICATED TOOLS
Group 99 – Dealer Fabricated Tools
DFT1218 Split Flange Hose Cap







