Details: .
- Foreword
- Technical Information Feedback Form
- General Information
- Safety
- Operational Checkout Procedure
- Operational Checkout Procedure
- Engine
- Theory Of Operation
- Diagnose Observable Machine Symptoms
- Test
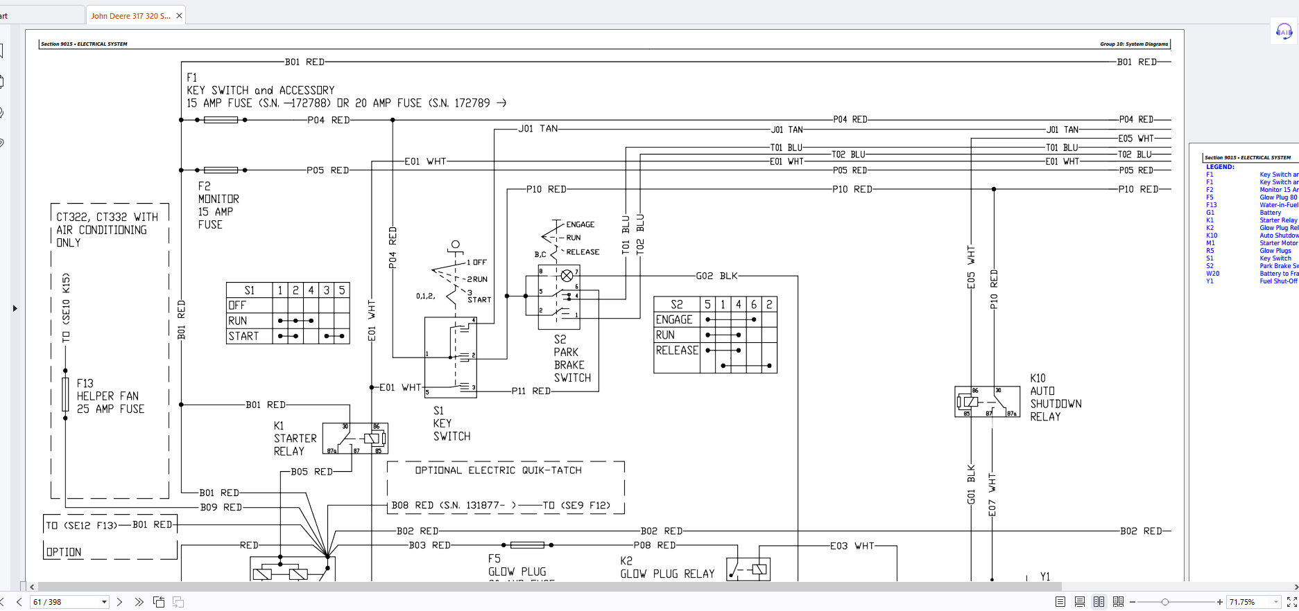
- Electrical System
- System Information
- System Diagrams
- Sub-System Diagnostics
- References
- Power Train
- Theory Of Operation
- Diagnostic Information
- Test
- Hydraulic System
- Theory Of Operation
- Diagnostic Information
- Test
- Hydrostatic System
- Theory Of Operation
- Diagnostic Information
- Test
- Heating and Air Conditioning
- Theory Of Operation
- Diagnostic Information
- Test







